









Interfejs OBD2 S-MPPS v13.02 CHIPTUNING K+CAN
Parametry
- Stan
- Nowy
- Faktura
- Faktura VAT
- Złącze
- OBD II
- Waga (z opakowaniem)
- 0,155 kg
- Numer katalogowy producenta
- 200202
- Marka
- CE
- Stan opakowania
- oryginalne
- Kod producenta
- 200202
- Zawiera baterie
- nie
Opis produktu
INTERFEJS DO CHIPTUNINGU MPPS W WERSJI 13.02
+ PAKIET WSADÓW

Oferujemy Państwu interfejs diagnostyczny MPPS w wersji 13.02 w zestawie z płytą DVD. Jest to wyspecjalizowane narzędzie do modyfikowania pamięci FLASH w sterownikach silnika (ECU). Dzięki takiej modyfikacji możliwe jest zwiększenie mocy, momentu obrotowego czy usunięcie filtra DPF Interfejs działa na praktycznie każdym komputerze wyposażonym w port USB. Urządzenie współpracuje z zarówno 32 bitowymi jak i 64 bitowymi systemami Windows.
URZĄDZENIEM ZMODYFIKUJEMY WSADY W TAKICH STEROWNIKACH JAK: BOSCH: EDC15, EDC16, MEX.X, DELCO, DELPHI, SIEMENS, MARELLI I WIELE INNYCH WYMIENIONYCH W DALSZEJ CZĘŚCI OPISU.
- OPROGRAMOWANIE W JĘZYKU POLSKIM
- BRAK LICZNIKA URUCHOMIEŃ
- BEZAWARYJNOŚĆ
- DUŻA LICZBA OBSŁUGIWANYCH MODELI
- WSPARCIE DLA LINII K, CAN I UDS
WYKRES Z HAMOWNI PRZED I PO ZMIANIE MAPY

- 1 - NM po
- 2 - NM przed
- 3 - KM po
- 4 - KM przed
PŁYTA DVD W ZESTAWIE
- Instrukcja instalacji
- 3.25GB wsadów dla rożnych marek
- Lista kodów błędów OBD2
- Lista kodów błędów VAG
- Lokalizacja gniazd OBD
- Opis pinów gniazda OBD2
- Pinout sterowników
- Kasowanie inspekcji różnych marek
- Kody usterek
- Lista ECU i samodiagnostyka
- Oznaczenia opon


CZYM JEST CHIPTUNING
Chiptuting to elektroniczne zwiększenie mocy silnika samochodu. Auto staje się szybsze, sprawniejsze i zużywa mniej paliwa. Producenci samochodów pozostawiają pewna rezerwę mocy którą można wykorzystać.
Każdy samochód posiada sterownik silnika czyli komputer odpowiadający za prace silnika w każdych warunkach prędkość i obciążenia. Parametry ECU są przygotowane w taki sposób by trwałość samochodu była najwyższa, a nie tak by silnik rozwijał największą moc i moment obrotowy.
JAK DZIAŁA INTERFEJS?
Podłączasz interfejs do złącza OBD2 w swoim samochodzie, odczytujesz zawartość pamięci, modyfikujesz ją przy pomocy programu np. Winols, i wgrywasz ją ponownie. Zazwyczaj korzystamy z gotowych, już wcześniej modyfikowanych map pamięci. Dzięki tej operacji twoje auto może zyskać kilkadziesiąt dodatkowych koni. (wszystkie auta mają fabryczny zapas mocy który nie jest wykorzystany).
PRZYKŁADOWE ZASTOSOWANIE
- Zwiększenie mocy
- Poprawienie dynamiki - momentu obrotowego
- Zmniejszenie zużycia paliwa
- Zwiększenie dawki rozruchowej
- Usunięcie ograniczenia prędkości maksymalnej
- Usunięcie filtra FAP/DPF
SILNIK, PROD, ECU, TYP ECU, PODŁĄCZENIE, ODCZYT, ZAPIS, CHECKSUM
OPEL
- 1.0 12v,Bosch,M1.5.5,Kline,Tak,Tak,Nie
- 1.0i Bosch ME7.6.2_CAN CAN
- 1.0 8v Bosch M1.5.5 K-Line
- 1.0 16v Bosch ME1.5.5 K-Line
- 1.2 16V,Bosch,ME1.5.5,Kline,Tak,Tak,Nie
- 1.2i Bosch ME7.6.2_CAN CAN
- 1.3 16v CDTI,Marelli,Multijet,Kline,Tak,Tak,Tak
- 1.4 16V,Delco,Multec,Kline,Tak,Tak,Nie
- 1.4i Bosch ME7.6.2_CAN CAN
- 1.6 16V,Delco,Multec,Kline,Tak,Tak,Nie
- 1.7 16V CDTI,Bosch,EDC16C9,Can,Nie,Tak,Tak
- 1.7 16V DT,Delco,LVP4,Kline,Tak,Tak,Nie
- 1.7 16V DT,Delco,LVP4,Kline,Tak,Tak,Nie
- 1.7 16V DTI,Bosch,EDC15M,Kline,Some,Tak,Nie
- 1.7 16V DTI,Delco,LVP11,Kline,Tak,Tak,Nie
- 1.7 TD,Bosch,EDC15M,Kline,Some,Tak,Nie
- 1.7 16V DTI Bosch EDC15M K-Line
- 1.7 16V CDTI Bosch EDC16C39 CAN
- 1.8 16V,Siemens,Simtec,Kline,Tak,Tak,Nie
- 1.8 16V,Siemens,Simtec 70,Kline,Tak,Tak,Nie
- 1.8 16V,Siemens,Simtec 90,Kline,Tak,Tak,Nie
- 1.9 16V CDTI,Bosch,EDC16C9,Can,Nie,Tak,Tak
- 1.9 TD,Bosch,EDC15C2,Kline,Tak,Tak,Nie
- 1.9 16V CDTI Bosch EDC16C39 CAN
- 2.0 16v,Bosch,ME1.5.5,Kline,Tak,Tak,Nie
- 2.0 16V,Siemens,Simtec,Kline,Tak,Tak,Nie
- 2.0 16V,Siemens,Simtec 70,Kline,Tak,Tak,Nie
- 2.0 16V,Siemens,Simtec 90,Kline,Tak,Tak,Nie
- 2.0 16V DTI,Bosch,EDC15M,Kline,Some,Tak,Nie
- 2.0 16v Turbo,Bosch,ME1.5.5,Kline,Tak,Tak,Nie
- 2.0 TD,Bosch,EDC15M,Kline,Some,Tak,Nie
- 2.0i Bosch ME7.6.2_CAN CAN
- 2.2 16V DTI,Bosch,EDC15M,Kline,Some,Tak,Nie
- 2.2 SRI,Delco,GM PT,Kline,Tak,Tak,Nie
- 2.5 TD,Bosch,EDC15C2,Kline,Tak,Tak,Nie
- 2.5 V6,Bosch,M2.8.3,Kline,Tak,Tak,Nie
SILNIK, PROD, ECU, TYP ECU, PODŁĄCZENIE, ODCZYT, ZAPIS, CHECKSUM
PEUGEOT
- 1.1L,Bosch,MP7.4.4,Kline,Tak,Tak,Nie
- 1.4 HDI,Bosch,EDC16C3,Kline,Tak,Tak,Tak
- 1.4 HDI FAP Bosch EDC16C34 K-Line
- 1.6L Bosch MP7.4.4 K-Line
- 1.6 HDI,Bosch,EDC16C3,Kline,Tak,Tak,Tak
- 1.6 HDI FAP,Bosch,EDC16C34,Kline,Tak,Tak,Tak
- 2.0 HDI,Bosch,EDC15C2,Kline,Tak,Tak,Nie
- 2.2 HDI,Bosch,EDC15C2,Kline,Tak,Tak,Nie
SILNIK, PROD, ECU, TYP ECU, PODŁĄCZENIE, ODCZYT, ZAPIS, CHECKSUM
PORSCHE
- 2.5L Bosch M5.2.2 K-Line
- 2.7L Bosch ME7.8.4 K-Line
- 2.7L Bosch ME7.8.4 K-Line on Bench
- 3.2L,Bosch,ME7.1.1,Kline,Tak,Tak,Nie
- 3.2L Bosch ME7.8.4 K-Line
- 3.2L Bosch ME7.8.4 K-Line on Bench
- 3.4L Bosch ME7.8.4 K-Line
- 3.4L Bosch ME7.8.4 K-Line
- 3.4L Bosch M5.2.2 K-Line
- 3.6L Twin Turbo GT2 Bosch M5.2.2 K-Line
- 3.6L GT3 Bosch M5.2.2 K-Line
- 3.6L Bosch ME7.8.4 K-Line
- 3.6L Bosch ME7.8.4 K-Line on Bench
- 3.6L Twin Turbo Bosch ME7.8.4 K-Line
- 3.6L Twin Turbo Bosch ME7.8.4 K-Line on Bench
- 3.8L Bosch ME7.8.4 K-Line
- 3.8L Bosch ME7.8.4 K-Line on Bench
- 4.5L,Bosch,ME7.1.1,Kline,Tak,Tak,Nie
- 4.5L Turbo,Bosch,ME7.1.1,Kline,Tak,Tak,Nie
- 4.5L Turbo S,Bosch,ME7.1.1,Kline,Tak,Tak,Nie
SILNIK, PROD, ECU, TYP ECU, PODŁĄCZENIE, ODCZYT, ZAPIS, CHECKSUM
RENAULT
- 1.5 DDCR,Delphi,DDCR,Kline,Tak,Tak,Nie
- 1.9 DCR,Bosch,EDC15C2,Kline,Tak,Tak,Nie
- 2.2 DCR,Bosch,EDC15C2,Kline,Tak,Tak,Nie
SILNIK, PROD, ECU, TYP ECU, PODŁĄCZENIE, ODCZYT, ZAPIS, CHECKSUM
ROVER
- 2.0 CDT,Bosch,DDE4.0,Kline,Tak,Tak,Tak
SILNIK, PROD, ECU, TYP ECU, PODŁĄCZENIE, ODCZYT, ZAPIS, CHECKSUM
SAAB
- 2.2 16V DTI,Bosch,EDC15M,Kline,Some,Tak,Nie
- 1.9 16V CDTI Bosch EDC16C39 CAN
SILNIK, PROD, ECU, TYP ECU, PODŁĄCZENIE, ODCZYT, ZAPIS, CHECKSUM
SUZUKI
- 2.0 CDI,Bosch,EDC15C2,Kline,Tak,Tak,Nie
- 1.3 16v DDiS Marelli Multijet K-Line
SILNIK, PROD, ECU, TYP ECU, PODŁĄCZENIE, ODCZYT, ZAPIS, CHECKSUM
VOLVO
- 1.9 CDI,Bosch,EDC15C3,Kline,Tak,Tak,Nie
- 2.0T Bosch ME7.0 K-Line
- 2.3T Bosch ME7.0 K-Line
- 2.4 D (D5),Bosch,EDC16C31,Kline,Tak,Tak,Tak
- 2.4T Bosch ME7.0 K-Line
- 2.5T Bosch ME7.0 K-Line
- 2.5 T Bosch ME9.0-CAN CAN
- 2.8T Bosch ME7.0 K-Line
- 3.0T Bosch ME7.0 K-Line
SILNIK, PROD, ECU, TYP ECU, PODŁĄCZENIE, ODCZYT, ZAPIS, CHECKSUM
VAG: Audi/Seat/Skoda/VW
- 1.2 TDI,Bosch,EDC15,Kline,Tak,Tak,Nie
- 1.2 TDI_34 Bosch EDC15 K-Line
- 1.4 TDI,Bosch,EDC15,Kline,Tak,Tak,Nie
- 1.4 TDI_PD Bosch EDC15 K-Line
- 1.4L,Bosch,ME7.5,Kline,Tak,Tak,Nie
- 1.4L Bosch ME7.1 K-Line
- 1.4 TSI Bosch MED9.5.10 K-Line/CAN
- 1.4 FSI Bosch MED9.5.10 K-Line/CAN
- 1.4 TSI Bosch MED9.5.10 K-Line/CAN
- 1.6 FSI,Bosch,MED9.5.10,Kline/Can,Tak,Tak,Tak
- 1.08.2009,Bosch,M5.92,Kline,Nie,Tak,Nie
- 1.8 NA Bosch M5.92 K-Line
- 1.8 Turbo,Bosch,M5.92,Kline,Nie,Tak,Nie
- 1.8L Bosch ME7.1 K-Line
- 1.8 Turbo,Bosch,ME7.5,Kline,Tak,Tak,Nie
- 1.9 TDI,Bosch,EDC15,Kline,Tak,Tak,Nie
- 1.9 TDI,Bosch,EDC16U1,Kline,Tak,Tak,Tak
- 1.9 TDI,Bosch,EDC16U31,Kline/Can,Tak,Tak,Tak
- 1.9 TDI,Bosch,EDC16U34,Kline/Can,Tak,Tak,Tak
- 1.9 TDI PD,Bosch,EDC16U1,Kline,Tak,Tak,Tak
- 1.9 TDI PD,Bosch,EDC16U31,Kline/Can,Tak,Tak,Tak
- 1.9 SDI Bosch EDC15 K-Line
- 1.9 SDI Bosch EDC16U31 K-Line/CAN
- 1.9 TDI DPF Bosch EDC17CP14 K-Line/CAN
- 2.0 20v,Bosch,ME7.5,Kline,Tak,Tak,Nie
- 2.0 FSI,Bosch,MED9.5.10,Kline/Can,Tak,Tak,Tak
- 2.0 FSI Turbo,Bosch,MED9.1,Can,Tak,Tak,Tak
- 2.0 TDI,Bosch,EDC17CP14,Kline/Can,Tak,Tak,Nie
- 2.0 TDI,Siemens,PPD 1.x,Can,Tak,Tak,Nie
- 2.0 TDI,Bosch,EDC16U1,Kline,Tak,Tak,Tak
- 2.0 TDI,Bosch,EDC16U31,Kline/Can,Tak,Nie,Tak
- 2.0 TDI,Bosch,EDC16U34,Kline/Can,Tak,Tak,Tak
- 2.0 TDI,Bosch,EDC16U34,Kline/Can,Tak,Tak,Tak
- 2.0 TDI PD,Bosch,EDC16U1,Kline,Tak,Tak,Tak
- 2.0 TDI PD,Bosch,EDC16U34,Kline/Can,Tak,Tak,Tak
- 2.0 TDI DPF Bosch EDC17CP14 K-Line/CAN
- 2.0 Turbo,Bosch,ME7.5,Kline,Tak,Tak,Nie
- 2.0L Bosch ME7.1 K-Line
- 2.0L,Bosch,ME7.1.1,Kline,Tak,Tak,Nie
- 2.0L,Bosch,ME7.5,Kline,Tak,Tak,Nie
- 2.0L Bosch M5.92 K-Line
- 2.0 SDI Bosch EDC16U1 K-Line
- 2.0 SDI Bosch EDC16U31 K-Line/CAN
- 2.3L Bosch ME7.1 K-Line
- 2.3L Bosch M5.92 K-Line
- 2.4L ,Bosch,M5.92,Kline,Nie,Tak,Nie
- 2.4L,Bosch,ME7.1.1,Kline,Tak,Tak,Nie
- 2.5 TDI,Bosch,EDC15,Kline,Tak,Tak,Nie
- 2.5 TDI,Bosch,EDC16U1,Kline,Tak,Tak,Tak
- 2.5 TDI,Bosch,EDC16U31-3.1,Kline/Can,Tak,Tak,Tak
- 2.5 TDI,Bosch,EDC16U34,Kline/Can,Tak,Tak,Tak
- 2.5L,Bosch,ME7.1.1,Kline,Tak,Tak,Nie
- 2.5 TDI Bosch EDC15VM+ K-Line
- 2.7 TDI,Bosch,EDC16CP,Kline/Can,Tak,Tak,Tak
- 2.7L Turbo,Bosch,ME7.1.1,Kline,Tak,Tak,Nie
- 2.7L Turbo Bosch ME7.1 K-Line
- 2.7 TDI Bosch EDC16U34 K-Line/CAN
- 2.8L,Bosch,M5.92,Kline,Nie,Tak,Nie
- 2.8L 12v,Bosch,ME7.1.1,Kline,Tak,Tak,Nie
- 2.8L 24v,Bosch,ME7.1.1,Kline,Tak,Tak,Nie
- 2.8L 30v,Bosch,ME7.1.1,Kline,Tak,Tak,Nie
- 2.9L Bosch ME7.1.1 K-Line
- 3.0 TDI,Bosch,EDC17CP04,UDS,Tak,Nie,Nie
- 3.0 TDI,Bosch,EDC16CP,Kline/Can,Tak,Tak,Tak
- 3.0L V6,Bosch,ME7.1.1,Kline,Tak,Tak,Nie
- 3.0 V6 FSI Bosch MED9.5.10 K-Line/CAN
- 3.0 TDI Bosch EDC16U34 K-Line/CAN
- 3.0 TDI Bosch EDC17CP04 UDS
- 3.2L,Bosch,ME7.1.1 CAN,Can,Tak,Tak,Nie
- 3.2L,Bosch,ME7.1.1,Kline,Tak,Tak,Nie
- 3.2 FSI Bosch MED9.5.10 K-Line/CAN
- 3.2 V6 FSI Bosch MED9.5.10 K-Line/CAN
- 3.6L V6 FSI Bosch MED9.1 CAN
- 3.6L V6 FSI Bosch MED9.5.10 K-Line/CAN
- 3.7L Turbo,Bosch,ME7.1.1,Kline,Tak,Tak,Nie
- 4.0 TDI,Bosch,EDC16C4,Kline/Can,Tak,Tak,Tak
- 4.2L,Bosch,ME7.1.1,Kline,Tak,Tak,Nie
- 4.2L Turbo,Bosch,ME7.1.1,Kline,Tak,Tak,Nie
- 4.2L V8,Bosch,ME7.1.1,Kline,Tak,Tak,Nie
- 4.2T,Bosch,ME7.1.1,Kline,Tak,Tak,Nie
- 4.2L Bosch M5.92 K-Line
- 4.2T Quattro,Bosch,ME7.1.1,Kline,Tak,Tak,Nie
- 4.2 TDI Bosch EDC16C34 K-Line/CAN
- 4.2L Bosch MED9.1 CAN
- 5.0 TDI V10,Bosch,EDC16U1,Kline,Tak,Tak,Tak
- 5.2L Bosch MED9.1 CAN
- Generic Bosch Generic Bosch ME7.XX 512K Kline
- Generic Bosch Generic Bosch ME7.XX 1MB Kline
- Generic Bosch Generic Bosch EDC15XX Kline
- Generic Bosch Generic Multi ST10F280 Kline
- Generic Bosch Generic Multi ST10F296 Kline
- KTM X Bow 2.0 TFSI Bosch MED9.1 Can
- London Taxis International TX4 TX4 2.5 VM TDI
- Bosch EDC16C39 K-Line
- London Taxis International TX4 TX4 2.5 VM TDI
- Bosch EDC16C9 K-Line
SILNIK, PROD, ECU, TYP ECU, PODŁĄCZENIE, ODCZYT, ZAPIS, CHECKSUM
MINI
- 1.6 S,Siemens,EMS 2,Kline,Tak,Tak,Nie
- 1.4D,Bosch,DDE4.0,Kline,Tak,Tak,Tak
SILNIK, PROD, ECU, TYP ECU, PODŁĄCZENIE, ODCZYT, ZAPIS, CHECKSUM
MITSUBISHI
- 1.5l DI-D,Bosch,EDG16C33,Kline/Can,Tak,Tak,Tak
- 1.9 CDI,Bosch,EDC15C3,Kline,Tak,Tak,Nie
- 1.9 CDI,Bosch,EDC15C2,Kline,Tak,Tak,Nie
- 2.0 CDI,Bosch,EDC15C2,Kline,Tak,Tak,Nie
- 2.5 CDI,Bosch,EDC15C2,Kline,Tak,Tak,Nie
SILNIK, PROD, ECU, TYP ECU, PODŁĄCZENIE, ODCZYT, ZAPIS, CHECKSUM
ALFA ROMEO/FIAT/LANCIA
- 1.1 E3,Marelli,IAW 59F,Kline,Tak,Tak,Tak
- 1.2 12V,Bosch,M1.5.5,Kline,Nie,Tak,Tak
- 1.2 16V,Bosch,ME7.3.1,Kline,Tak,Tak,Nie
- 1.2 16V Bosch ME7.H4 K-Line
- 1.2 8V,Marelli,IAW 59F,Kline,Tak,Tak,Tak
- 1.2L Marelli 5SF3.M1/M2 CAN
- 1.3 JTDM,Marelli,Multijet,Kline,Tak,Tak,Tak
- 1.3 JTDM Marelli Multijet 6SF CAN
- 1.3 JTDM Marelli Multijet K-Line
- 1.3 JDTM Marelli Multijet K-Line
- 1.4 TS,Bosch,M1.5.5,Kline,Nie,Tak,Tak
- 1.6 16V,Marelli,IAW 49F,Kline,Nie,Tak,Tak
- 1.6 16V,Marelli,IAW 4EF,Kline,Tak,Tak,Tak
- 1.6 16V,Marelli,IAW 5NF,Kline,Tak,Tak,Tak
- 1.6 TS,Bosch,M1.5.5,Kline,Nie,Tak,Tak
- 1.6 TS,Bosch,ME7.3.1,Kline,Tak,Tak,Nie
- 1.8 TS,Bosch,M1.5.5,Kline,Nie,Tak,Tak
- 1.8 TS,Bosch,ME7.3.1,Kline,Tak,Tak,Nie
- 1.9 JDTM,Marelli,Multijet,Kline,Tak,Tak,Tak
- 1.9 JTD,Bosch,EDC15C,Kline,Tak,Tak,Nie
- 1.9 JTD,Bosch,EDC15C5,Kline,Tak,Tak,Nie
- 1.9 JTD,Bosch,EDC15C7,Kline,Tak,Tak,Nie
- 1.9 JTD,Bosch,EDC16C,Kline,Tak,Tak,Tak
- 1.9 JTD 16V,Bosch,EDC16C8,Kline,Tak,Tak,Tak
- 1.9 JTD 16V,Bosch,EDC16C9,Kline,Tak,Tak,Tak
- 1.9 JTDM,Bosch,EDC16C,Kline,Tak,Tak,Tak
- 1.9 JTDM,Bosch,EDC16C9,Kline,Tak,Tak,Tak
- 1.9 JDTM Marelli Multijet K-Line
- 2.0 24V,Bosch,ME3.1,Kline,Tak,Tak,Nie
- 2.0 24V,Bosch,ME7.3.1,Kline,Tak,Tak,Nie
- 2.0 24V Bosch ME7.H4 K-Line
- 2.0L Bosch ME7.3.1 K-Line
- 2.0 TD,Bosch,EDC5C2,Kline,Tak,Tak,Nie
- 2.0 TS,Bosch,M1.5.5,Kline,Nie,Tak,Tak
- 2.0 TS,Bosch,ME7.3.1,Kline,Tak,Tak,Nie
- 2.0 JTD Bosch EDC15C K-Line
- 2.2 TD,Bosch,EDC5C2,Kline,Tak,Tak,Nie
- 2.3 JTD Bosch EDC15C K-Line
- 2.4 JTD,Bosch,EDC15C,Kline,Tak,Tak,Nie
- 2.4 JTD,Bosch,EDC15C7,Kline,Tak,Tak,Nie
- 2.4 JTD,Bosch,EDC16C,Kline,Tak,Tak,Tak
- 2.4 JTD 20V,Bosch,EDC16C8,Kline,Tak,Tak,Tak
- 2.4 JTD 20V Bosch EDC16C9 K-Line
- 2.4 JTDM,Bosch,EDC16C9,Kline,Tak,Tak,Tak
- 2.8 JTD Bosch EDC15C K-Line
- 3.0 TS,Bosch,M1.5.5,Kline,Nie,Tak,Tak
- 3.0 V6,Bosch,ME7.3.1,Kline,Tak,Tak,Nie
- 3.0 V6 24V,Bosch,ME3.1,Kline,Tak,Tak,Nie
- 3.2 24v,Bosch,ME7.3.1,Kline,Tak,Tak,Nie
SILNIK, PROD, ECU, TYP ECU, PODŁĄCZENIE, ODCZYT, ZAPIS, CHECKSUM
BMW
- 1.9L,Bosch,M5.2,Kline,Tak,Tak,Nie
- 1.9L,Bosch,M5.2.1,Kline,Tak,Tak,Nie
- 2.0/2.8,Siemens,MS41,Kline,Tak,Tak,Nie
- 2.0/2.8,Siemens,MS42,Kline,Tak,Tak,Nie
- 2.0D,Bosch,EDC16C31,Kline,Tak,Tak,Tak
- 2.0D,Bosch,EDC16C35,Kline,Tak,Tak,Tak
- 2.0D,Bosch,DDE3.0,Kline,Tak,Tak,Nie
- 2.0L,Siemens,MS41,Kline,Tak,Tak,Nie
- 2.0L,Siemens,MS42,Kline,Tak,Tak,Nie
- 2.2L,Siemens,MS43,Kline,Tak,Tak,Nie
- 2.2L Siemens MS42 K-Line
- 2.3L,Siemens,MS41,Kline,Tak,Tak,Nie
- 2.3L,Siemens,MS42,Kline,Tak,Tak,Nie
- 2.5D,Bosch,DDE4.0,Kline,Tak,Tak,Tak
- 2.5D Bosch EDC16C31 K-Line,Tak,Tak,Tak
- 2.5L Siemens MS41 K-Line
- 2.5L Siemens MS42 K-Line
- 2.5L,Siemens,MS43,Kline,Tak,Tak,Nie
- 2.8L,Siemens,MS41,Kline,Tak,Tak,Nie
- 2.8L,Siemens,MS42,Kline,Tak,Tak,Nie
- 3.0D,Bosch,EDC16C31,Kline,Tak,Tak,Tak
- 3.0D,Bosch,EDC16C35,Kline,Tak,Tak,Tak
- 3.0D,Bosch,DDE4.0,Kline,Tak,Tak,Tak
- 3.0L,Siemens,MS43,Kline,Tak,Tak,Nie
- 3.0L,Siemens,MSS52,Kline,Tak,Tak,Nie
- 3.2 E46,Siemens,MSS52,Kline,Tak,Tak,Nie
- 3.2 E46 Siemens MSS54 K-Line
- 3.2 Evo,Siemens,MSS50,Kline,Tak,Tak,Nie
- 3.8L V8,Bosch,M5.2,Kline,Tak,Tak,Nie
- 3.8L V8,Bosch,M5.2.1,Kline,Tak,Tak,Nie
- 4.0/4.4 V8,Bosch,M5.2,Kline,Tak,Tak,Nie
- 4.0/4.4 V8,Bosch,M5.2.1,Kline,Tak,Tak,Nie
- 4.4/4.6L V8,Bosch,ME7.2,Kline,Tak,Tak,Nie
- 4.4L/4.6L,Bosch,ME7.2,Kline,Tak,Tak,Nie
- 4.4L ,Siemens,MSS52,Kline,Tak,Tak,Nie
- 5.0L V8 M5,Siemens,MSS52,Kline,Tak,Tak,Nie
- 5.0L V8 Siemens MSS54 K-Line
SILNIK, PROD, ECU, TYP ECU, PODŁĄCZENIE, ODCZYT, ZAPIS, CHECKSUM
CHRYSLER
- 2.2l CRD,Bosch,EDC15C2,Kline,Tak,Tak,Nie
- 2.2L CRD Bosch EDC16C2-9 K-Line/CAN
- 2.5l CRD,Bosch,EDC15C2,Kline,Tak,Tak,Nie
- 2.7l CRD,Bosch,EDC15C2,Kline,Tak,Tak,Nie
- 2.8l CRD,Bosch,EDC15C2,Kline,Tak,Tak,Nie
- 3.0l CRD,Bosch,EDC16CP31,Kline/Can,Tak,Tak,Tak
- 3.0l CRD,Bosch,EDC16CP31-8,Kline/Can,Tak,Tak,Tak
SILNIK, PROD, ECU, TYP ECU, PODŁĄCZENIE, ODCZYT, ZAPIS, CHECKSUM
CITROEN
- 1.4 16v HDI,Delphi,DDCR,Kline,Tak,Tak,Nie
- 1.4 HDI,Bosch,EDC16C3,Kline,Tak,Tak,Tak
- 1.6 HDI,Bosch,EDC16C3,Kline,Tak,Tak,Tak
- 1.6 VTR,Bosch,MP7.4.4,Kline,Tak,Tak,Nie
- 2.0 HDI,Bosch,EDC15C2,Kline,Tak,Tak,Nie
- 2.2 HDI,Bosch,EDC15C2,Kline,Tak,Tak,Nie
- 2.2 HDI Bosch EDC15C
- 2.8 HDI Bosch EDC15C K-Line
SILNIK, PROD, ECU, TYP ECU, PODŁĄCZENIE, ODCZYT, ZAPIS, CHECKSUM
FERRARI
- Bosch ME7.3H4 K-Line
SILNIK, PROD, ECU, TYP ECU, PODŁĄCZENIE, ODCZYT, ZAPIS, CHECKSUM
FORD
- 1.6 TDI,Bosch,EDC16C3,Kline/Can,Tak,Tak,Tak
- 1.6 TDI,Bosch,EDC16C34,Kline/Can,Tak,Tak,Tak
- 1.6 TDCI Bosch EDC16C3 K-LineCAN
- 1.6 TDCI Bosch EDC16C34 K-LineCAN
- 1.9 TDI,Bosch,EDC15C,Kline,Tak,Tak,Nie
- 2.5 T,Bosch,ME9.0-CAN,Can,Tak,Tak,Nie
SILNIK, PROD, ECU, TYP ECU, PODŁĄCZENIE, ODCZYT, ZAPIS, CHECKSUM
HONDA
- 1.5 CDI,Bosch,EDC15C7,Kline,Tak,Tak,Nie
SILNIK, PROD, ECU, TYP ECU, PODŁĄCZENIE, ODCZYT, ZAPIS, CHECKSUM
HYUNDAI
- 1.5 CDI,Bosch,EDC15C2,Kline,Tak,Tak,Nie
- 2.0 CDI,Bosch,EDC15C2,Kline,Tak,Tak,Nie
SILNIK, PROD, ECU, TYP ECU, PODŁĄCZENIE, ODCZYT, ZAPIS, CHECKSUM
IVECO
- 2.3 29 L 10,Bosch,EDC16C,Kline,Tak,Tak,Tak
- 2.3 29 L 12,Bosch,EDC16C,Kline,Tak,Tak,Tak
- 2.3 35 C 9,Bosch,EDC16C,Kline,Tak,Tak,Tak
- 2.3 35 C 10,Bosch,EDC16C,Kline,Tak,Tak,Tak
- 2.3 35 C 12,Bosch,EDC16C,Kline,Tak,Tak,Tak
- 2.3 35 S 10,Bosch,EDC16C,Kline,Tak,Tak,Tak
- 2.8 35 C 13,Bosch,EDC16C,Kline,Tak,Tak,Tak
- 2.8 35 C 14,Bosch,EDC16C,Kline,Tak,Tak,Tak
- 2.8 35 C 15,Bosch,EDC16C,Kline,Tak,Tak,Tak
- 2.8 35 S 13,Bosch,EDC16C,Kline,Tak,Tak,Tak
- 2.8 40 C 15,Bosch,EDC16C,Kline,Tak,Tak,Tak
- 2.8 60 C 15 Bosch EDC16C K-Line
- 3.0 35 C 17,Bosch,EDC16C,Kline,Tak,Tak,Tak
SILNIK, PROD, ECU, TYP ECU, PODŁĄCZENIE, ODCZYT, ZAPIS, CHECKSUM
ISUZU
- D-Max 3.0L DT Bosch EDC15M K-Line
- 2.5L DT Bosch EDC15M K-Line
SILNIK, PROD, ECU, TYP ECU, PODŁĄCZENIE, ODCZYT, ZAPIS, CHECKSUM
KIA
- 2.0 CDI,Bosch,EDC15C2,Kline,Tak,Tak,Nie
- 2.5 CDI,Bosch,EDC15C2,Kline,Tak,Tak,Nie
SILNIK, PROD, ECU, TYP ECU, PODŁĄCZENIE, ODCZYT, ZAPIS, CHECKSUM
LAND ROVER
- 2.0 CDT,Bosch,DDE4.0,Kline,Tak,Tak,Tak
- 2.5 T,Lucas,Mems3,Kline,Tak,Tak,Nie
- 2.5 TD5 Lucas Mems3 K-Line
- 3.0 TD6,Bosch,DDE4.0,Kline,Tak,Tak,Tak
- 4.4/4.6L V8,Bosch,ME7.2,Kline,Tak,Tak,Nie
SILNIK, PROD, ECU, TYP ECU, PODŁĄCZENIE, ODCZYT, ZAPIS, CHECKSUM
MMC SMART
- 600cc,Bosch,MEG1.0,Kline,Nie,Tak,Nie
- 700cc,Bosch,MEG1.1,Kline,Nie,Tak,Nie
- 800cc,Bosch,EDG15C5,Kline,Tak,Tak,Nie
- 1.5l Cdi,Bosch,EDG16C33,Kline/Can,Tak,Tak,Tak
SILNIK, PROD, ECU, TYP ECU, PODŁĄCZENIE, ODCZYT, ZAPIS, CHECKSUM
MERCEDES
- 1.7 CDI Bosch EDC15C2 K-Line
- 2.0 CDI,Bosch,EDC15C6,Kline,Tak,Tak,Nie
- 2.0 CDI Bosch EDC15C5 K-Line
- 2.0 CDI Bosch EDC16C2/3/4 K-Line/CAN
- 2.0 CDI Bosch EDC16C31 K-Line/CAN
- 2.0 CDI Bosch EDC16C32 K-Line/CAN
- 2.2 CDI Bosch EDC15C5 K-Line
- 2.2 CDI,Bosch,EDC15C6,Kline,Tak,Tak,Nie
- 2.2 CDI,Bosch,EDC15C2,Kline,Tak,Tak,Nie
- 2.2 CDI,Bosch,EDC15C6,Kline,Tak,Tak,Nie
- 2.2 CDI,Bosch,EDC16C2/3/4,Kline/Can,Tak,Tak,Tak
- 2.2 CDI,Bosch,EDC16C31,Kline/Can,Tak,Tak,Tak
- 2.2 CDI,Bosch,EDC16CP31,Kline/Can,Tak,Tak,Tak
- 2.7 CDI,Bosch,EDC15C6,Kline,Tak,Tak,Nie
- 2.7 CDI Bosch EDC16C2/3/4 K-Line/CAN
- 2.7 CDI Bosch EDC16C31 K-Line/CAN
- 2.8 CDI Bosch EDC16C2/3/4 K-Line/CAN
- 2.8 CDI Bosch EDC16C31 K-Line/CAN
- 3.0 CDI,Bosch,EDC15C6,Kline,Tak,Tak,Nie
- 3.0 CDI Bosch EDC16C31 K-Line/CAN
- 3.0 CDI,Bosch,EDC16CP31,Kline/Can,Tak,Tak,Tak
- 3.0 CDI Bosch EDC16C2/3/4 K-Line/CAN
- 3.2 CDI,Bosch,EDC15C6,Kline,Tak,Tak,Nie
- 3.2 CDI Bosch EDC16C2/3/4 K-Line/CAN
- 3.2 CDI Bosch EDC16C31 K-Line/CAN
- 3.2 CDI Bosch EDC16CP31 K-Line/CAN
- 4.2 V8 CDI Bosch EDC16CP31 K-Line/CAN
SILNIK, PROD, ECU, TYP ECU, PODŁĄCZENIE, ODCZYT, ZAPIS, CHECKSUM
MG
- 2.0 CDTI,Bosch,DDE4.0,Kline,Tak,Tak,Tak
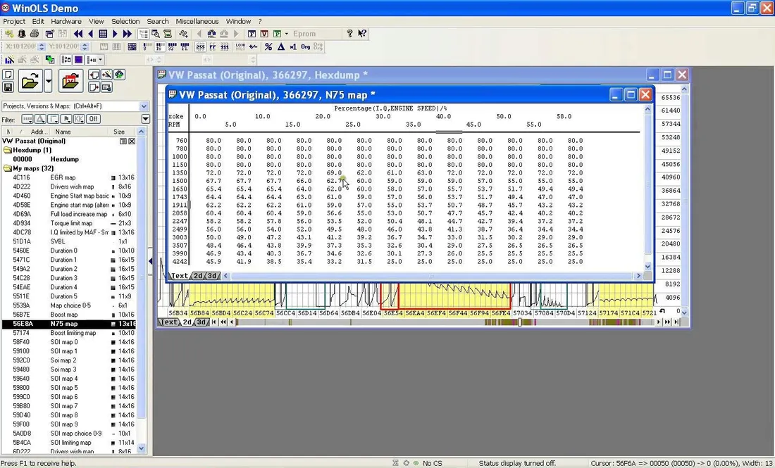
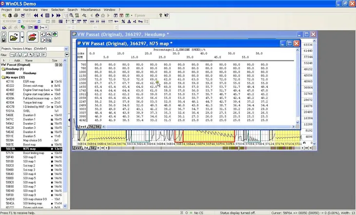
ZRZUTY EKRANU PRZYKŁADOWYCH PROGRAMÓW




ZAWARTOŚĆ ZESTAWU
- Interfejs do chiptuningu MPPS V13
- Płyta DVD
- Polska instrukcja oraz dożywotnia pomoc techniczna
- Potężna baza wsadów
Przedmioty tej aukcji nie naruszają praw autorskich ani własności intelektualnej. Wszystkie nazwy, fotografie, znaki firmowe lub towarowe, niebędące własnością firmy CCY a występujące w ofercie oraz w dokumentacji, zgodnie z Ustawą PWP art.156 pkt.1 ust. 3 należą do ich właścicieli i zostały użyte wyłącznie w celach informacyjnych - w celu doboru właściwego urządzenia do danego pojazdu. Otrzymane wraz z produktem treści cyfrowe są naszego autorstwa lub objęte licencja GNU General Public License. Kopiowanie, powielanie i oraz publikowanie w jakiejkolwiek formie otrzymanych materiałów jest zabronione.








