




Wirnik alternatora 332677 HC-CARGO

Parametry
- Stan
- Nowy
- Faktura
- Faktura VAT
- Producent części
- HC-Cargo
- Typ samochodu
- 4x4/SUV, Autobusy, Niezdefiniowany, Samochody ciężarowe, Samochody dostawcze, Samochody kempingowe, Samochody osobowe
- Numer katalogowy części
- 332677
- Numery katalogowe zamienników
- AS-PL AR1004
Opis produktu
Wirnik alternatora HC-CARGO 332677

Całkowicie nowy wirnik alternatora od liderów automotive HC-CARGO. Nasz wirnik to wysokiej jakości produkt specyfikacją i parametrami nie odstępujący od oryginalnej części. Jest to znakomity zamiennik, dla oryginalnie zamontowanego wirnika w Twoim alternatorze.
Gotowy do montażu bezpośrednio po wyjęciu z kartonu. Całość cechuje wzorowy stan oraz wysoka jakość.
- Opis szczegółowy
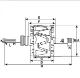
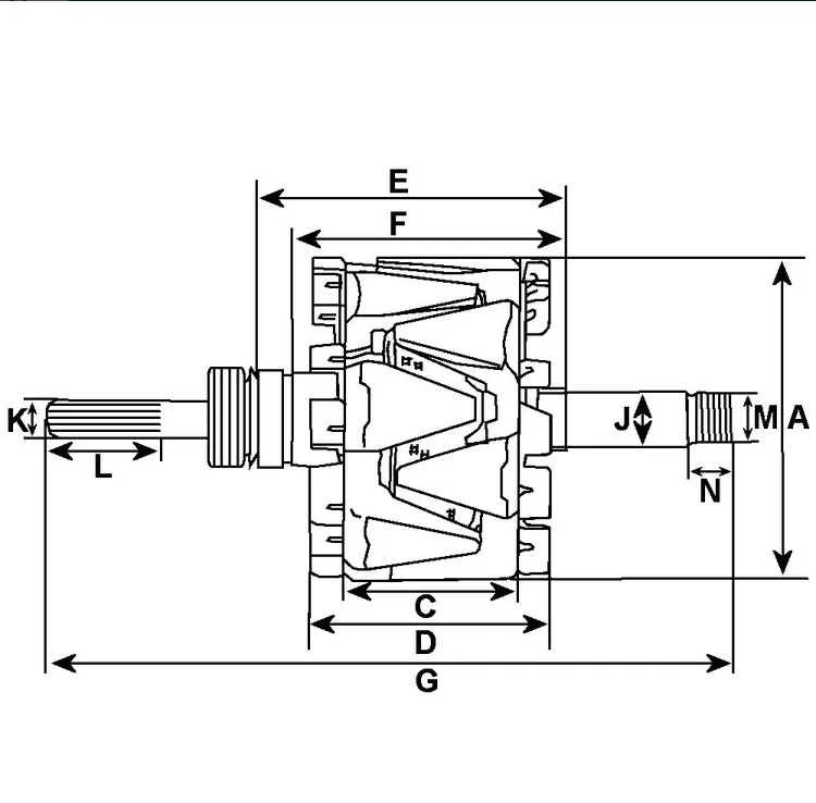
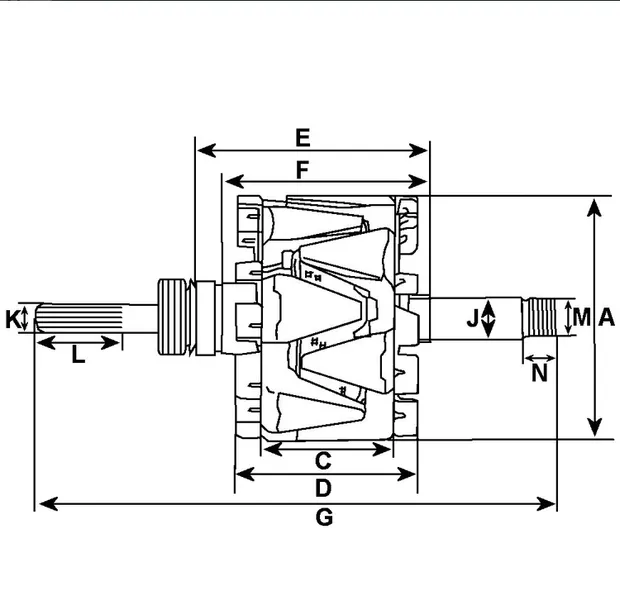
Napięcie 14, A 140, Średn. zewn. w mm 105.00, Wysokość w mm 56.00, Wentylator chłodzący w/, Długość całkowita w mm 160.50, Średnica wału 17.00, Rozmiar gwintu M16-1.50, Długość gwintu w mm 16.00
- Producent: HC-CARGO
- Zamiennik dla: Remy (delco):
Oferowane przez nas towary podlegają surowym procedurom testowym. Spełniają najwyższe wymagania w zakresie montażu oraz parametrów technicznych
Specyfikacja techniczna:
- Wirnik alternatora
- Oś:
- G, Długość całkowita w mm, 160.50
- J, Średnica wału, 17.00
- M, Rozmiar gwintu, M16-1.50
- N, Długość gwintu w mm, 16.00
Rdzeń:
- A, Średn. zewn. w mm, 105.00
- C, Wysokość w mm, 56.00
- , Wentylator chłodzący, w/

Numery referencyjne:
Zastępuje│Lista części
332677 Remy (delco)

Wirkniki alternatorów:
Zastosowania
- Nr referencyjny: Producent
- 8400158: DELCO
- A1021: AS-PL
- A1021(P): AS-PL
O producencie:
O producencie:
CARGO to uznana na świecie marka części elektrycznych i elektromechanicznych, produkowanych pod nadzorem firmy BOSCH, znanego z najwyższej jakości właściciela marki CARGO.
Dzięki wysokim standardom technicznym i reżimom produkcyjnym marki macierzystej, produkty CARGO oferują najwyższą jakość połączoną z atrakcyjną ceną.




