










Moduł OXT mini sterownik rolet ZigBee TUYA

Parametry
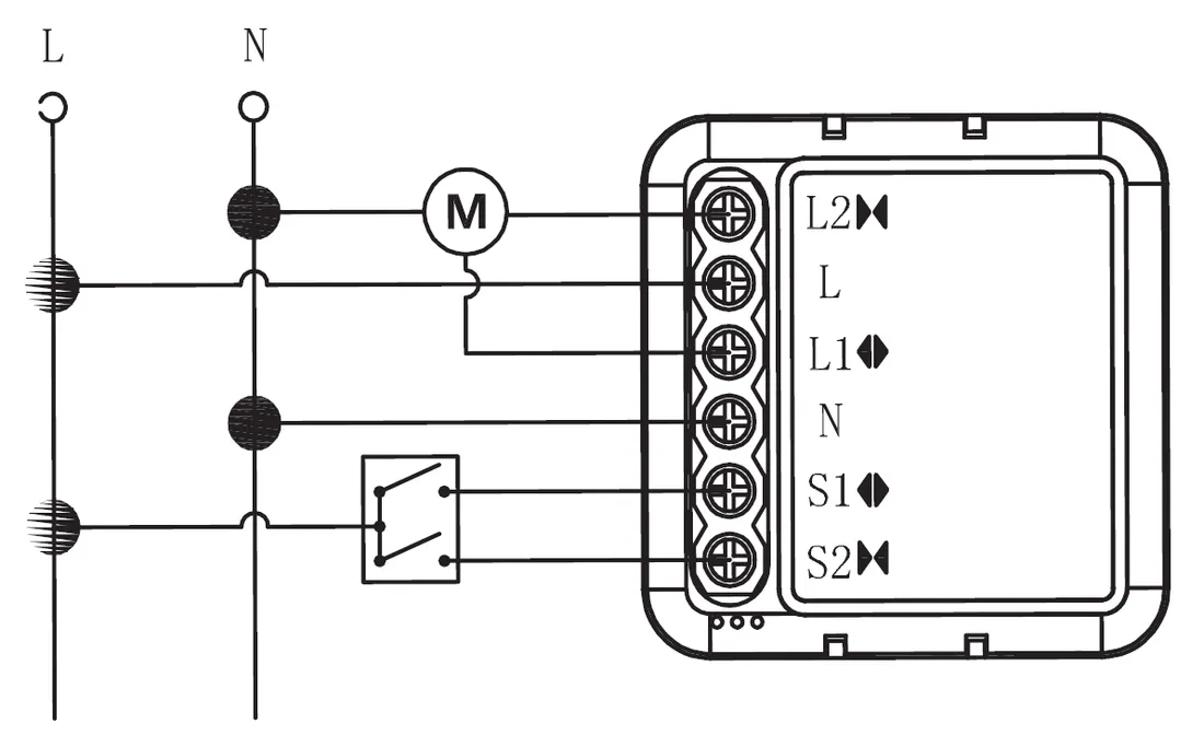
Opis produktu

OXT | Moduł dopuszkowy | Sterownik rolet | ZigBee | TUYA

▶️ Sterowanie roletami, żaluzjami i markizami
- ✅ Podnoszenie i opuszczanie: Inteligentne sterowanie rolet, żaluzji i markiz.
- ✅ Montaż w puszce: Łatwy montaż pod przełącznikiem manualnym.
- ✅ Obsługa przełączników: Monostabilne i bistabilne – wybór w aplikacji.
▶️ Elastyczne opcje konfiguracji
- ✅ Tryby kalibracji: Pełna (zgodnie z instrukcją) lub skrócona (na podstawie czasu otwierania).
- ✅ Harmonogramy: Automatyczne odsłanianie i zasłanianie o określonej godzinie.
- ✅ Timery: Ustawianie opóźnień czasowych dla wygody użytkowania.
▶️ Integracja z systemem inteligentnego domu
- ✅ Aplikacja na smartfon: Zdalne sterowanie w TUYA Smart (Android / iOS).
- ✅ Automatyzacje: Uwzględniają pogodę, godzinę, wschód i zachód słońca oraz inne zdarzenia TUYA.
- ✅ Sterowanie głosowe: Kompatybilne z Amazon Alexa i Google Home.
▶️ Uniwersalność i kompatybilność
- ✅ Standardy napięcia: Współpraca z międzynarodowymi instalacjami.
- ✅ Kompaktowy rozmiar: Łatwe dopasowanie do każdej instalacji.
⚠️ Uwaga: Do działania modułu wymagana jest bramka ZigBee 3.0 TUYA (dostępna w ofercie).

ℹ️ Podstawy działania protokołu ZigBee:
Protokół ZigBee działa na dobrze propagującej się w zabudowaniu częstotliwości 2.4 GHz
Łączność ZigBee jest łącznością MESH co oznacza, że każde urządzenie ZigBee z pełnym zasilaniem L+N działa jako wzmacniacz sygnału dla pozostałych urządzeń. Jeżeli odległy czujnik nie ma łączności z bramką ZigBee, wystarczy że ma łączność radiową z innym urządzeniem ZigBee z pełnym zasilaniem L+N, które ma łączność z bramką (maksymalnie do 3 urządzeń). Urządzenia pracują w kratowym łańcuchu połączeń, co daje niezawodność oraz pewność połączenia
Urządzenia korzystające z protokołu ZigBee w przypadku zmiany stanu łączą się z centralką w 0,2 sekundy, a WiFi potrzebują około 5 sekund aby podłączyć się do sieci po zmianie stanu. Urządzenia ZigBee posiadają ogromną przewagę przy automatyzacji reguł inteligentnych.
W sieci WiFi zaczniesz odczuwać problemy z siecią przy 25 urządzeniach ❌
Do centralki ZigBee możesz bez problemu dodać ponad 50 urządzeń ✔️
Bramka i urządzenia ZigBee pozwalają na znacznie szersze i dłuższe przechowywanie danych parametrów i historii urządzeń. Historia otwarcia drzwi, historia temperatur, historia wykrywania ruchu zapisana na miesiące wstecz.
Komunikacja ZigBee zużywa bardzo mało energii, co daje długą żywotność na zasilaniu bateryjnym.


ℹ️ Specyfikacja:
▶️ Ogólne informacje
- Typ produktu: Sterownik rolet ZigBee
- Protokół: ZigBee 3.0
- Zasięg: do 100 m
- Certyfikaty: CE, RoHS
▶️ Parametry elektryczne
- Napięcie znamionowe: AC 100-240 V 50/60 Hz
- Maksymalne natężenie: 3 A
- Częstotliwość łączności: 2.412 GHz – 2.484 GHz
▶️ Środowisko pracy
- Temperatura pracy: -10℃ do +40℃
- Stopień ochrony: IP20
▶️ Wymiary i konstrukcja
- Wymiary: 39.2 x 39.2 x 18 mm
ℹ️ Kalibracja:
1. Wejdź w Ustawienia i wybierz opcję Kalibracja.
2. Postępuj zgodnie z instrukcjami wyświetlanymi na ekranie (nie zamykaj okna aż do końca procesu).
3. Za pomocą przycisku fizycznego otwórz i zamknij roletę/kurtynę.
4. Po zakończeniu pojawi się komunikat z wynikiem kalibracji.
ℹ️ W zestawie:
- Moduł OXT mini sterownik rolet ZigBee TUYA
- Klips mocujący
- Instrukcja obsługi
- Dokument sprzedaży
Kod produktu: T267











