









Bosch silnik do szlifierki kątowej GWX18V-50PC

Parametry
Opis produktu
* Bosch silnik elektryczny do szlifierki kątowej GWS18V-45C
nowy oryginalny
( Motor / Elektromotor )
- Producent: Bosch
- Kod EAN: 4059952058030
- Kod producenta: 1607000CA4
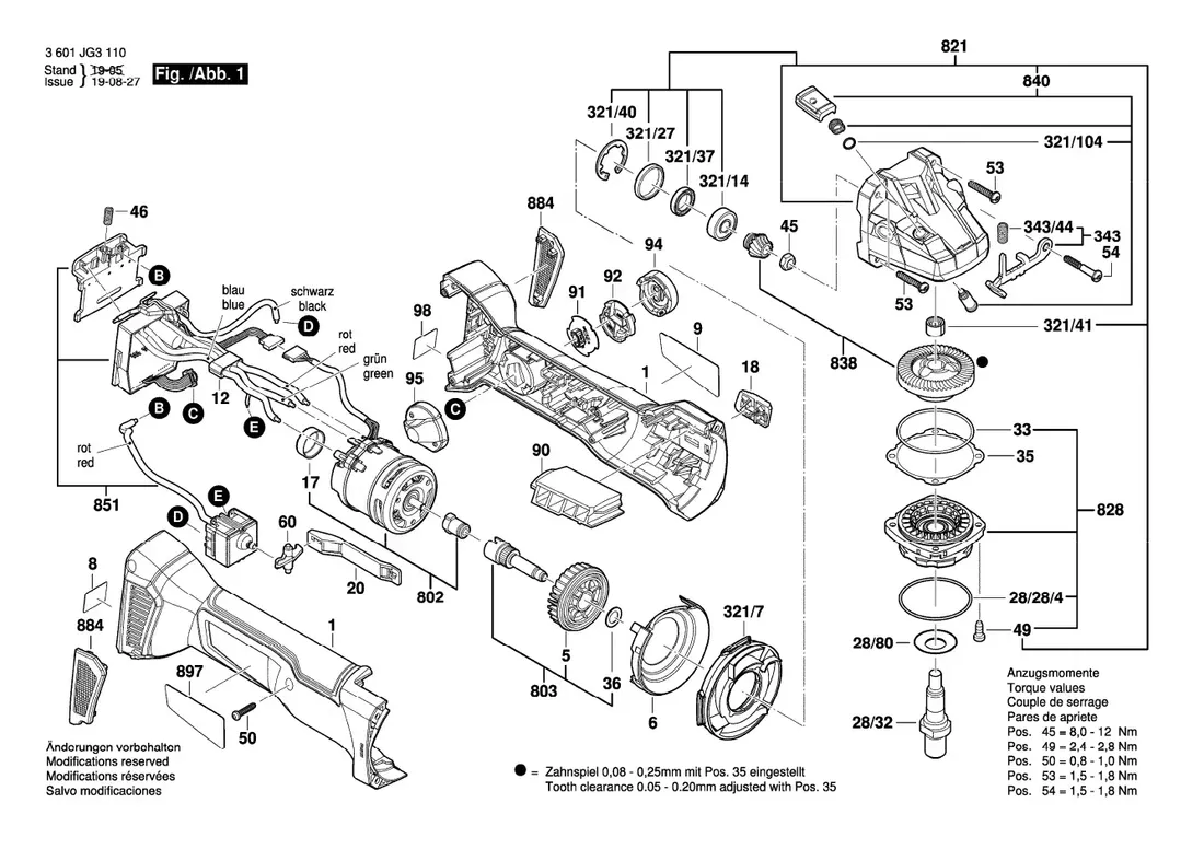
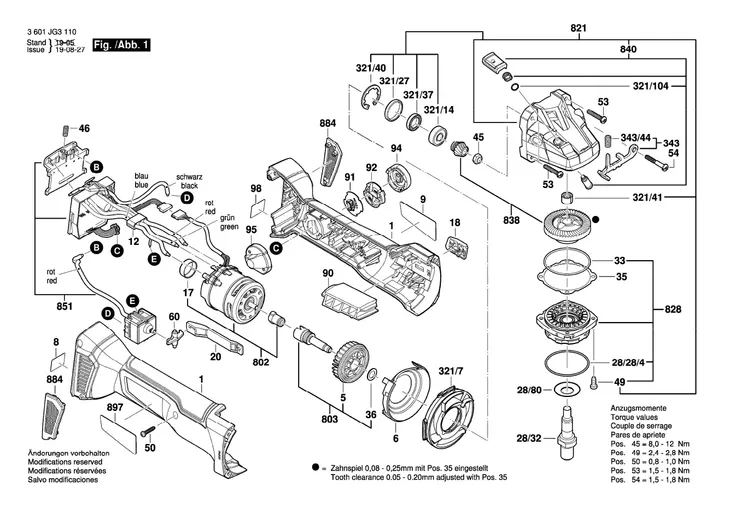
- Pozycja na schemacie: nr 802 - GWS18V-45C ( nr katalogowy 3 601 JG3 110 )
Zastosowanie
akumulatorowa szlifierka prosta :
- GGS 18V-23LC
- GGS 18V-23PLC
akumulatorowa szlifierka kątowa :
- GWX 18V-10
- GWX 18V-10 C
- GWX18V-10 SC
- GWX 18V-10 PC
- GWX 18V-10 PSC
- GWX18V-50PC
- GWS 18V-EC
- GWS 18V-10
- GWS 18V-10 C
- GWS 18V-10 PC
- GWS 18V-10 SC
- GWS 18V-10 PSC
- GWS 18V-45C
- GWS 18V-45PC
- GWS 18V-45PSC
- GWS 18V-100 C
- GWS 18V-100 SC
- GWS 18V-115 C
- GWS 18V-115 SC
- GWS 18V-125 C
- GWS 18V-125 SC

Szczegółowy rejestr zastosowania
nr katalogowy, oznaczenie produktu, Wolt, Kraj, pozycja na schemacie:
3601B29100 GGS 18V-23LC; 18; EU; 802
3601B29140 GGS 18V-23LC; 18; AUS; 802
3601B291B0 GGS 18V-23LC; 18; ROK; 802
3601B29200 GGS 18V-23PLC; 18; EU; 802
3601GB0100 GWX 18V-10; 18; ---; 802
3601GB0200 GWX 18V-10 C; 18; ---; 802
3601GB0400 GWX18V-10 SC; 18; ---; 802
3601GB0450 GWX18V-10 SC; 18; J; 802
3601GB04B0 GWX18V-10 SC; 18; ROK; 802
3601GB0610 GWX18V-50PC; 18; ---; 802
3601GB0700 GWX 18V-10 PC; 18; ---; 802
3601GB0800 GWX 18V-10 PSC; 18; ---; 802
3601JG3050 GWS 18V-100 C; 18; J; 802
3601JG3051 GWS 18V-10 C; 18; J; 802
3601JG30B0 GWS 18V-100 C; 18; ROK; 802
3601JG30B1 GWS 18V-10 C; 18; ROK; 802
3601JG3100 GWS 18V-125 C; 18; ---; 802
3601JG3101 GWS 18V-10 C; 18; EU; 802
3601JG3103 GWS 18V-115 C; 18; ---; 802
3601JG3110 GWS18V-45C; 18; USA; 802
3601JG3111 GWS 18V-45C; 18; USA; 802
3601JG31D1 GWS 18V-10 C; 18; LAM; 802
3601JG3201 GWS 18V-10; 18; EU; 802
3601JG3350 GWS 18V-100 SC; 18; J; 802
3601JG3351 GWS 18V-10 SC; 18; J; 802
3601JG33B0 GWS 18V-100 SC; 18; ROK; 802
3601JG33B1 GWS 18V-10 SC; 18; ROK; 802
3601JG3400 GWS 18V-125 SC; 18; ---; 802
3601JG3401 GWS 18V-10 SC; 18; EU; 802
3601JG3403 GWS 18V-115 SC; 18; ---; 802
3601JG3450 GWS 18V-125 SC; 18; J; 802
3601JG3451 GWS 18V-10 SC; 18; J; 802
3601JG34B0 GWS 18V-125 SC; 18; ROK; 802
3601JG34B1 GWS 18V-10 SC; 18; ROK; 802
3601JG3500 GWS 18V-EC; 18; ---; 802
3601JG3501 GWS 18V-10 SC; 18; EU; 802
3601JG3601 GWS 18V-10 SC; 18; EU; 802
3601JG3C10 GWS 18V-45PC; 0; USA; 802
3601JG3C11 GWS18V-45PC; 18; USA; 802
3601JG3D10 GWS 18V-45PSC; 0; USA; 802
3601JG3D11 GWS18V-45PSC; 18; USA; 802
3601JG3E00 GWS 18V-45PSC; 0; EU; 802
3601JG3E01 GWS 18V-10 PC; 18; EU; 802
3601JG3EE0 GWS 18V-10 PC; 18; LAM; 802
3601JG3F00 GWS 18V-45PSC; 0; EU; 802
3601JG3F01 GWS 18V-10 PSC; 18; EU; 802
3601JJ4001 GWS 18V-10; 18; EU; 802
3601JJ4002 GWS 18V-10; 18; EU; 802
3601JJ4050 GWS 18V-10; 18; J; 802
3601JJ4080 GWS 18V-10; 18; CN; 802
3601JJ4081 GWS 18V-10; 18; CN; 802
3601JJ40B0 GWS 18V-10; 18; ROK; 802
3601JJ40C0 GWS 18V-10; 18; RC; 802
3601JJ40E1 GWS 18V-10; 18; RCH; 802
3601JJ40K0 GWS 18V-10; 18; ASI; 802
3601JJ40L0 GWS 18V-10; 18; MAL; 802















