




Zawór kulowy hpcontrol 1'' HPC1366
Parametry
Opis produktu
Elektrozawór kulowy wysokociśnieniowy 1 cal DN25 PN125 siłownik A251
Zawór kulowy 1 cal DN25 PN125 z siłownikiem elektrycznym A251
Przemysłowy zawór do wielu zastosowań. Wydajny mocny siłownik, zawór nierdzewny PN125
Dostępne również inne siłowniki oraz zawory w wielu średnicach w wykonaniu ze stali nierdzewnej i mosiądzu.
Zestaw zawiera trwały i mocny siłownik klasy przemysłowej A251 zgodny z normami ISO5211 wraz z wysokiej jakości zaworem kulowym.
Zestaw jest zgodny z standardem przemysłowym ISO5211 co zapewnia kompatybilność z zaworami i siłownikami innych firm.
Siłownik - Napęd elektryczny A251 przeznaczony jest do współpracy z zaworami o obrocie 90 stopni.
Maksymalny moment manewru wynosi 25 Nm
Sterowanie : Tryb 3-przewodowy 230V
Sterowanie poprzez podanie napięcia + na styk otwarcia lub zamknięcia
Dane techniczne :
- możliwość ręcznego otwarcia - gniazdo imbus, klucz zamocowany na obudowie
- dodatkowe styki sygnalizacyjne otwarcia/ zamknięcia
- pobór prądu tylko w momencie zmiany pozycji. Wyłączniki krańcowe wyłączają siłownik.
- małe gabaryty i kompaktowa budowa
- wskaźnik położenia
- pobór mocy 0,1 A
- maksymalna siła 25 Nm
- czas otwarcia/ zamknięcia <15 s
- wodoodporność - IP65
- bezobsługowa eksploatacja
- kolor obudowy - pomarańczowy
- Obudowa tworzywo PA
- Mechanizm ze stali
- Połączenie bezpośrednie do zaworu z płytą ISO 5211 - typu F03, F05
- Styki krańcowe
- Temperatura pracy: -30C do +60C
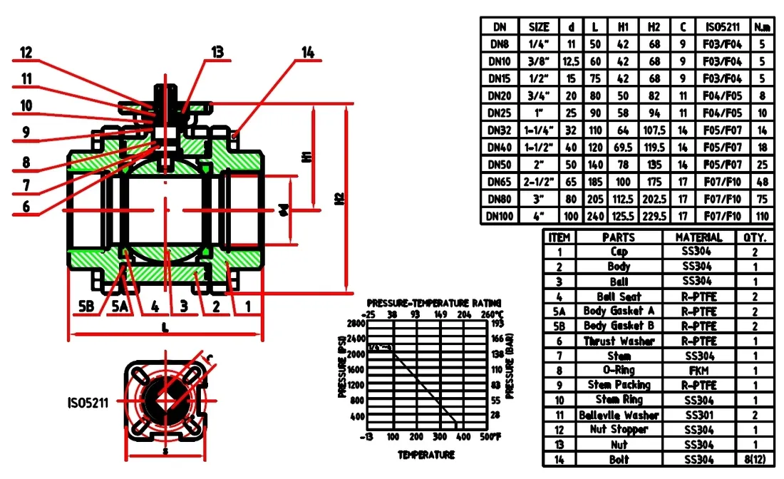
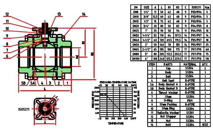
Zawór kulowy 1 cal DN25 PN125 z płytą do podłączenia siłownika - napędu, zgodny z ISO5211
Opis techniczny zaworu:
Zawór kulowy z bezpośrednim podłączeniem do siłownika zgodnego z ISO5211.
Możliwość sterowania ręcznego lub podłączenia siłownika pneumatycznego lub elektrycznego .
Wykonanie przemysłowe. Masywny korpus odporny na wysokie ciśnienie.
Dane Techniczne zaworu:
- materiał : stal nierdzewna ss304
- typ: zawór kulowy trzy częściowy
- przepływ pełny,
- platforma mocująca zgodna z ISO5211 - typ F05 (trzpień 11mm)
- ciśnienie robocze 0-125bar
- zakres temperatur od -25°C do 180°C
- Przyłącze: gwint wewn. 1 cal

- Waga kg.: 3.1000
- Kod kreskowy:: 5903148313665
- Deklaracja CE: Pobierz certyfikat CE - zawór Pobierz certyfika CE - napęd elektryczny
- Instrukcja Obsługi: Pobierz instrukcję
- Rozmiar gwintu: 1"
- Korpus zaworu: Stainless Steel 304
- Ciśnienie maksymalne [bar]: 125.0000






